N系列行星齿轮减速机
品 牌:汉玛
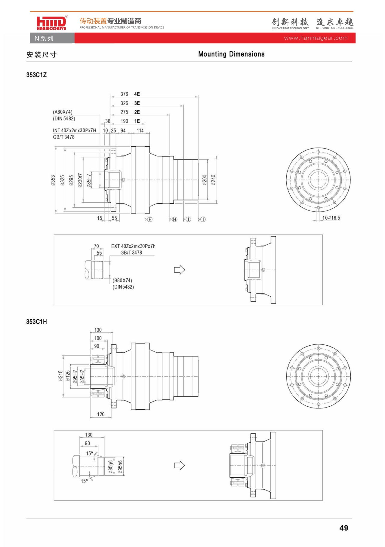
型 号:N系列
简 介:N系列行星减速机广泛应用于各种工业传动中,比如船舶、港口设备,冶金,矿山,工程机械等等。该产品根据现代设计理论设计,比传统减速机连接更简单、更经济、体积更小。有多种连接形式和多种输出形式供选择,可以匹配电机,液压马达等,低速轴加装重载轴承,特别适用于重冲击负载的应用场合。 //◆输出扭矩:5,000...800,000Nm //◆减速比范围:3.4...2000 //◆输入轴输出轴相对位置:同轴/转角 //◆产品特点:法兰式安装,耐冲击能力强,输出轴选用重载轴承,输出轴可选花键或齿轮 //◆电机型号:可选用IEC电机,并且可选配编码器,制动器 //◆可选用液压马达输入,并选配液压制动器